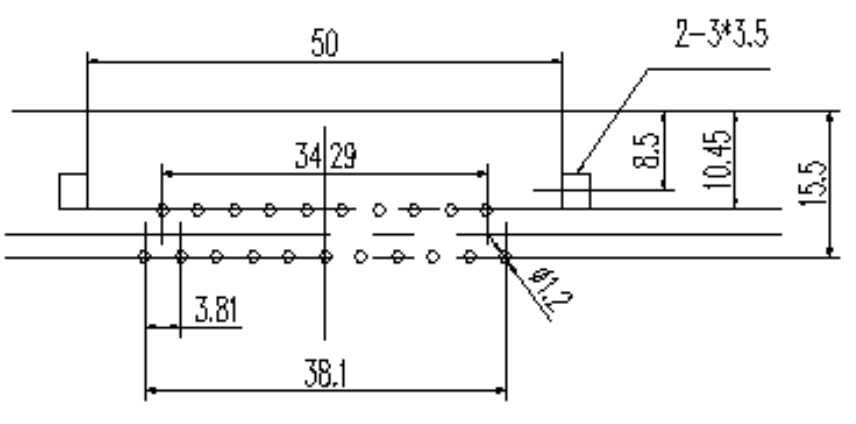
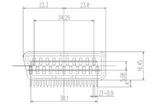
CS-108 Classification: SCART Connector Series Professional quality, guaranteed quality, multiple quality inspections before leaving the factory to ensure compliance. Tel.: +86-176-0162-0930 Order Product Description Related Product CS-105 CS-107 CS-107-C CS-108 CS-108-B CS-108-C